
Детаљан опис производа
| Предност: | Брзи | Брзина етикетирања: | 60-200ком / мин |
|---|---|---|---|
| Функција: | Ознака лепљиве налепнице | Материјал: | Нерђајући челик |
| Тип боце: | Аутоматска тегла за етикетирање округлих боца | Апликација: | За све врсте округлог контејнера |
| Плц Бренд: | МИТСУБИСХИ (Јапан) | Серво мотор за етикетирање: | ДЕЛТА (Тајван) |
машина за етикетирање црвеног вина машина за етикетирање стаклених боца вина, ПЛЦ контролни систем машина за етикетирање марке МИТСУБИСХИ
Карактеристике:
1. Руковање: ПЛЦ систем управљања олакшава употребу машине за етикетирање
2. Материјал: Главно тело машине за етикетирање направљено је од нерђајућег челика СУС304
3. Конфигурација: Наше машине за етикетирање прихватају добро познате делове јапанске, немачке, америчке, корејске или тајванске марке
4. Флексибилност: клијент може изабрати да дода штампач и машину за кодирање; може изабрати да се повеже са цонвериером или не.
Технички параметри:
| Име | Аутоматска округла боца за вино за машине за етикетирање округлих боца великих брзина |
| Брзина етикетирања | 60-350ком / мин |
| Висина објекта | 30-350мм |
| Дебљина предмета | 20-120мм |
| Висина етикете | 5-180мм |
| Дужина етикете | 25-300мм |
| Ваљак за налепнице унутар пречника | 76мм |
| Спољни пречник налепнице за налепнице | 420мм |
| Тачност означавања | ± 1мм |
| Напајање | 220В 50/60 ХЗ 3,5 кВ |
| Потрошња гаса штампача | 5 кг / м2 (ако се дода машина за кодирање) |
| Величина машине за етикетирање | 2800 (Д) × 1650 (Ш) × 1500 (В) мм |
| Тежина машине за етикетирање | 180кг |
Конфигурација
| Не. | Део | Марка | количина |
| 1 | ПЛЦ | МИТСУБИСХИ (Јапан) | 1 |
| 2 | Главни претварач | ДАНФОСС (Данска) | 1 |
| 4 | ХМИ | ВЕИНВИЕВ (Тајван) | 1 |
| 5 | Серво мотор за означавање | ДЕЛТА (Тајван) | 1 |
| 6 | Возач мотора са серво етикетом | ДЕЛТА (Тајван) | 1 |
| 7 | Мотор транспортера | ХИ (Тајван) | 1 |
| 8 | Моторни преносник транспортера | ХИ (Тајван) | 1 |
| 9 | Преградни мотор боце | ГПГ (Тајван) | 1 |
| 10 | Моторни мењач са преградном боцом | ГПГ (Тајван) | 1 |
| 11 | Регулатор брзине мотора за одвајање боца | ГПГ (Тајван) | 1 |
| 12 | Споке мотор | ГПГ (Тајван) | 1 |
| 13 | Моторни мењач са краковима | ГПГ (Тајван) | 1 |
| 14 | објект открити чаробно око | ОМРОН (Јапан) | 1 |
| 15 | оптичко влакно | ОМРОН (Јапан) | 1 |
Детаљи машине:

32 главна дела за етикетирање

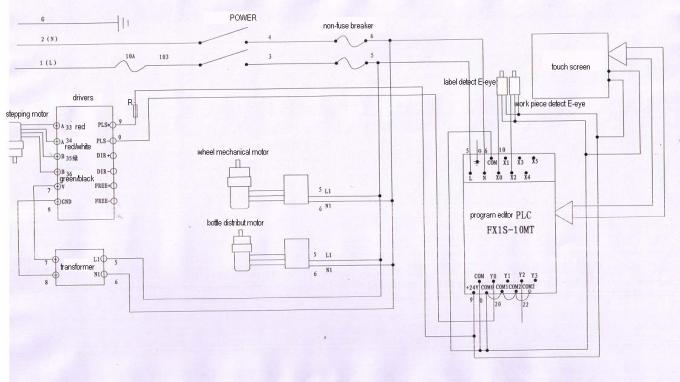
Шема кола

ФАК:
1.налепница добија мехуриће
Разлози:
① одлепити плочу није добро / није равно;
Боард плоча за орање није добра / није равна;
Оутпут излаз за етикетирање је пребрз или је брзина монтажне линије прениска;
Налепница се превише олабави
Решења:
① промените равну љуску са плоче;
② промените равну плочу плуга;
③ успорити излазну брзину означавања или повећати брзину монтажне линије;
Правилно ударите на ремен са етикетама.
Ознака: индустријска машина за етикетирање, машина за етикетирање стаклених боца









